Diagrama de schimbare a uleiului a retarderului Voith
Apr 01, 2007
Toți retarderii Voith trebuie mai întâi să deșurubeze dopul de umplere a uleiului atunci când se scurge uleiul. În acest moment, portul de umplere a uleiului acționează ca o gaură de aerisire, care poate scurge rapid uleiul rezidual. După ce uleiul este drenat, strângeți dopul de scurgere a uleiului. Adăugați încet o cantitate adecvată de ulei de motor în portul de umplere a combustibilului și strângeți dopul de umplere a combustibilului. Dacă adăugați accidental prea mult ulei, puteți repeta doar acțiunea de scurgere a uleiului și reumpleți (cu excepția 133-2).
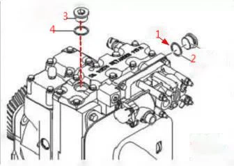
115CT:

1. Priza cu surub de uleiare
2. Tampon de cupru
3. Tampon de cupru
4. Dop cu șurub de scurgere a uleiului
5.O-inel
Unelte necesare: dop cu șurub de ungere - cheie hexagonală de 17 mm; dop cu șurub de scurgere a uleiului - priză hexagonală de 21 mm
Volum de realimentare: 6,4 litri pentru schimbarea uleiului de întreținere; 6,8 litri dacă radiatorul este înlocuit
115CN:
1.Copper pad
2. Priza cu șurub de uleiare
3.Mufă cu șurub de ungere
4.Copper pad
1. O-ring
2. Tampon de cupru
3.Dop cu șurub de scurgere a uleiului
1.Copper pad
2.Mufă cu șurub supapă de control a presiunii
Unelte necesare: dop cu șurub de ungere - cheie hexagonală de 17 mm; dop cu șurub de scurgere a uleiului - cheie hexagonală de 10 mm
Dopul supapei de control al presiunii trebuie, de asemenea, să fie deșurubat, există o cantitate mică de ulei în interior
Volum realimentare: 5,9 litri pentru intretinerea schimbarii uleiului; 6,6 litri dacă radiatorul este înlocuit
133-2:
1.Priza cu șurub de ungere
2.Copper pad
3.Ulei joja
4.Copper pad
5.Mufă cu șurub de nivel de ulei
6. Dop cu șurub de scurgere a apei
7.Dop cu șurub de scurgere a uleiului
8.Copper pad
9.Copper pad
10.Oil și dop cu șurub de scurgere a apei
Unelte necesare: Priza cu șurub de ulei și șurub de scurgere a uleiului plug-22mm priză hexagonală exterioară; șurub ruj plug-12mm cheie hexagonală interioară
Capacitate de ungere: 6 litri pentru întreținere și schimbarea uleiului; dacă radiatorul este înlocuit, 7,5-9 litri în funcție de dimensiunea radiatorului
Notă: Dopul cu șurub de evacuare ulei-apă trebuie dezasamblat și inspectat la descărcarea uleiului. Apele uzate și uleiul uzat vor fi evacuate; dacă adăugați accidental mai mult ulei la realimentare, puteți deșuruba dopul cu șurub de nivel al uleiului pentru a elibera excesul de ulei.
120-E:
1. Priza cu surub de uleiare
2. Tampon de cupru
3. Tampon de cupru
4. Dop cu șurub de scurgere
5. Plăcuță de identificare
Unelte necesare: Unsare șurub plug-17mm cheie allen; șurub de scurgere plug-10mm cheie allen
Capacitate de ungere: întreținere și schimbarea uleiului 4 litri; dacă radiatorul este înlocuit, 5,3 litri
123+:
1.Priza cu șurub de ungere
2.Copper pad
3.Copper pad
4.Dop cu șurub de scurgere a uleiului
5.Copper pad
6.Dop cu șurub de scurgere a uleiului
7.Copper pad
8.Oil de scurgere șurub plug
1.Intrarea apei
2.Senzor de temperatură a uleiului
3.plăcuță de identificare
4.Senzor de temperatură a apei
5. Priza de apă
6. Șurub de scurgere a uleiului
7.Șurub de scurgere a apei
8.Oil de scurgere șurub plug
Unelte necesare: dop cu șurub de ungere - cheie hexagonală de 17 mm; mufă cu șurub de ungere - cheie hexagonală de 12 mm și 6 mm
Când scurgeți uleiul, trebuie să deșurubați toate cele 3 dopuri de scurgere a uleiului pentru a scurge uleiul.
Cantitatea de ungere: 6 litri pentru schimbarea uleiului de întreținere; 6,5 litri dacă radiatorul este înlocuit
115E:
1. Priza cu surub de uleiare
2.Supapă proporțională
3.Retarder de locuințe
4.plăcuță de identificare
5.Senzor de temperatură a apei
6. Priza de apă
7. Radiator
8.Intrarea apei
1.Senzor de presiune
2.Senzor de temperatură a uleiului
3.Dop cu șurub de scurgere a uleiului
4.Dop cu șurub de scurgere a uleiului (2buc)
Unelte necesare: dop cu șurub de ungere - cheie hexagonală de 17 mm; dop cu șurub de scurgere a uleiului - cheie hexagonală de 12 mm
Când scurgeți uleiul, trebuie să deșurubați toate cele 3 dopuri de scurgere a uleiului pentru a scurge uleiul.
Cantitatea de ulei: 6,7-7 litri în funcție de tipul radiatorului, schimbarea uleiului de întreținere; 7,2-7,5 litri dacă radiatorul este înlocuit.






